My Projects
All Projects
Completed
0
Active
0
Upcoming
0
Masters
Renewables
Research on retrofitting viable storage options (PHES, Li-Ion, VRB, Lead Acid, ZnB, FESS, SMES, SCESS) for the 50MWe Windfarm
Technical design & Economic analysis for a 50MWe CSP plant within Perth, Australia to attain renewable targets
Performing an Environmental Impact Assessment (EIA) on one core parameter (NO2 emissions) for a facility within Preston, U.K
Bachelors
Chemical Engineering
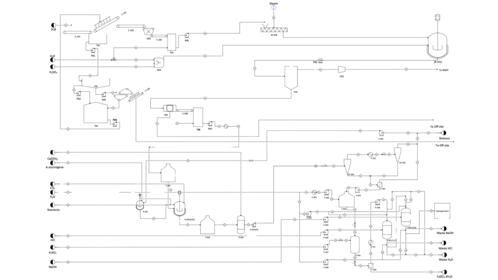
Technical Design and Economic analysis for a chemical plant producing 3000 MTPY of BDO from bio-based feedstock sugarcane bagasse
Dissertation study for greater appreciation of systems with secondary wastewater treatment techniques (FF, AS, BAF, MBBR, IFAS).
Design of a distillery located in Scotland capable of producing 850,000 litres of Whisky from the fermentation of barley.






